Dodaj produkty podając kody
Dodaj plik CSV
Wpisz kody produktów, które chcesz zbiorczo dodać do koszyka (po przecinku, ze spacją lub od nowej linijki).
Powtórzenie wielokrotnie kodu, doda ten towar tyle razy ile razy występuje.
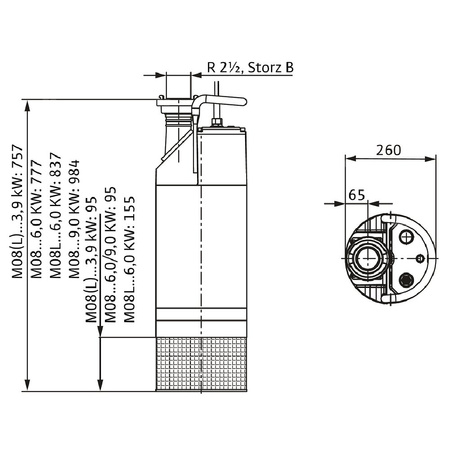
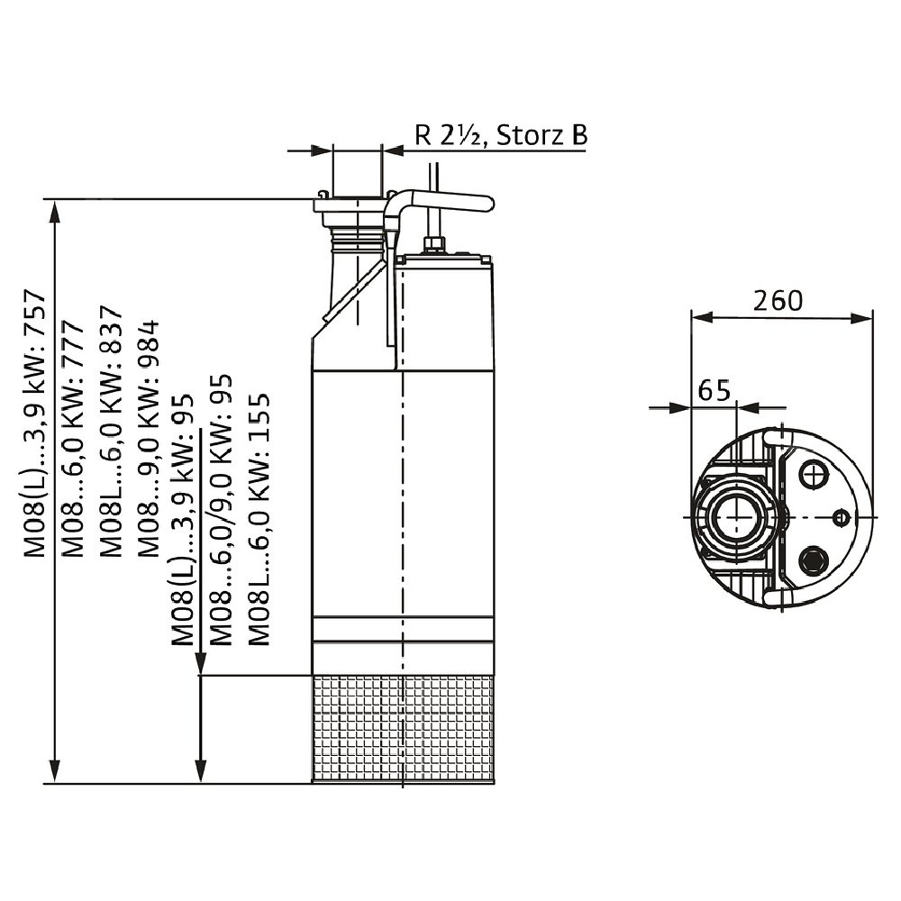
Całkowicie zanurzona pompa zatapialna do wody zanieczyszczonej, pionowe ustawienie mokre, do tłoczenia wody zanieczyszczonej i zawierającej piasek Korpus hydrauliczny z gumowanego aluminium, wirnik ze stali chromowej Duplex, korpus silnika z aluminium w płaszczu chłodzącym ze stali nierdzewnej. Przyłącze tłoczne z pionowym lub poziomym odpływem ciśnieniowym i złączem typu Storz. Chłodzony powierzchniowo silnik IE3 w wersji na prąd trójfazowy z termiczną kontrolą silnika i komorą uszczelnienia. Odłączany kabel zasilający z wyłącznikiem pływakowym i wtyczką zabezpieczenia silnika CEE. Uszczelnienie zapewniają dwa niezależne od kierunku obrotów uszczelnienia mechaniczne. Agregat można stosować w podsysającym trybie pracy bez ograniczeń.
Dane eksploatacyjne
Dane produktu
*Rodzaj konstrukcji wirnika: Otwarty wirnik wielokanałowy
*Swobodny przelot kuli w systemie hydraulicznym: 10 mm
*Maks. ciśnienie robocze: 2,2 bar
*Maks. głębokość zanurzenia: 20 m
*temperatura przetłaczanej cieczy: 3 oC
Dane silnika
*Przyłącze sieciowe:
*Tolerancja napięcia:
*Współczynnik mocy: 0,86
*Znamionowa moc silnika: 6000
*Pobór mocy: 6900
*Prąd znamionowy: 11,6 A
*Prąd rozruchowy: 90 A
*Rodzaj załączania: Bezpośrednio online (DOL)
*Znamionowa prędkość obrotowa: 2910 Obroty / min
*Maks. częstotliwość załączania: 20
*Klasa izolacji: H
*Stopień ochrony:
*Tryb pracy (zanurzony):
*Tryb pracy (wynurzony):
Przewód
*Długość kabla zasilającego: 23 m
*Typ przewodu:
*Przekrój przewodu: 4G1,5 mm²
*Wtyczka sieciowa:
*Rodzaj kabla zasilającego: Nieodłączana
Wyposażenie/funkcja
*Wyłącznik pływakowy: tak
*Rodzaj ochrony przeciwwybuchowej:
*Zabezpieczenie silnika: Bimetal
Materiały
*Korpus pompy:
*Wirnik: Stal nierdzewna
*Wał: Stal nierdzewna
*Materiał uszczelnienia po stronie pompy: QQPGG
*Materiał uszczelnienia po stronie silnika: BXPFF
*Materiał uszczelnienia:
*Materiał silnika:
Wymiary montażowe
*Przyłącze gwintowane po stronie ssawnej: -
*Przyłącze gwintowane po stronie tłocznej: Storz B
Informacje na temat umiejscowienia zamówień
*Produkt:
*Nazwa produktu: Padus PRO M08/T060-540/A
*Masa netto ok.: 69 kg
*Numer artykułu: 6083439
Marka
Symbol
816083439
Rodzaj towaru
Pompy do wody brudnej i ścieków
EAN
4048482824444
Kod producenta
6083439
Prąd znamionowy [A]
11.6
Maks. średnica elementów stałych [mm]
10
Prędkość obrotowa [obr/min]
2910
Maksymalna wysokość podnoszenia [m]
34.74
Pobór mocy silnika (P1) [W]
6.9
Moc oddawana silnika (P2) [W]
6
Materiał obudowy silnika
Aluminium
Gatunek materiału obudowy silnika
Brąz aluminiowy
Materiał korpusu pompy
Aluminium
Gatunek materiału korpusu pompy
Inne
Częstotliwość
50 Hz
Stopień ochrony (IP)
IP68
Klasa izolacji wg IEC
H
Podłączenie elektryczne
Kabel
Liczba faz
3
Zakres napięcia znamionowego [V]
400
Maks. ciśnienie robocze [bar]
3.8
Średnica zewnętrzna przyłącza od strony wylotowej [mm]
65
Maks. wydajność (maks. przepływ) [m³/h]
80.98
Przepływ nominalny (BEP) [m³/h]
45.82
Wysokość podnoszenia przy przepływie nominalnym (BEP) [kPa]
199.66
Głębokość zanurzenia [m]
20
Materiał wirnika
Stal nierdzewna
Gatunek materiału wirnika
Stal odlewana 1.0625
Przyłącze po stronie wylotowej
Storz
Średnica nominalna przyłącza od strony wylotowej
Inne
Klasa ciśnienia kołnierza przyłącza wylotowego
PN 10
Rodzaj przyłącza wylotowego
Inne
Kształt końcówki
Inne
Nominalny tryb pracy
S1
Strona www producenta
www.wilo.pl
Zapytaj o produkt
Napisz swoją opinię












