Dodaj produkty podając kody
Dodaj plik CSV
Wpisz kody produktów, które chcesz zbiorczo dodać do koszyka (po przecinku, ze spacją lub od nowej linijki).
Powtórzenie wielokrotnie kodu, doda ten towar tyle razy ile razy występuje.
Regulowana elektronicznie
Bezdławnicowa pompa obiegowa, silnik synchroniczny zgodnie z technologią ECM i zintegrowany układ regulacji wydajności do bezstopniowej regulacji różnicy ciśnień. Zastosowanie we wszystkich instalacjach grzewczych, wentylacyjnych i klimatyzacyjnych.
Standardowo dostępne funkcje:
*Możliwość wyboru rodzajów regulacji w celu optymalnego dopasowania do obciążenia: Δp-c (stała różnica ciśnień), Δp-v (zmienna różnica ciśnień)
*3 stopnie prędkości obrotowej (n = stałe)
*Wyświetlacz LED umożliwiający ustawienie wartości zadanej i wskazanie komunikatów o awarii.
*Złącze elektryczne z wtyczką Wilo.
*Lampka sygnalizacji awarii i styk do zbiorczej sygnalizacji awarii
W przypadku pomp kołnierzowych - wersje kołnierzy:
*Wersja standardowa do pomp DN 32 do DN 65: Kołnierz kombinowany PN 6/10 (kołnierz PN 16 wg EN 1092-2) do przeciwkołnierzy PN 6 i PN 16
*Wersja standardowa do pomp DN 80/DN 100: Kołnierz PN 6 (wykonanie PN 16 wg EN 1092-2) do przeciwkołnierza PN 6.
Dane eksploatacyjne
*temperatura przetłaczanej cieczy: -20 oC
*temperatura otoczenia: -20 oC
*Maks. ciśnienie robocze: 10 bar
*Minimalna wysokość dopływu dla 50 oC: 5
*Minimalna wysokość dopływu dla 95 oC: 12
*Minimalna wysokość dopływu dla 110 oC: 18
Dane silnika
*Współczynnik sprawności energetycznej (EEI): 0,2
*Generowanie zakłóceń: EN 61800-3;2004+A1;2012 / środowisko mieszkalne (C1)
*Odporność na zakłócenia: EN 61800-3;2004+A1;2012 / środowisko przemysłowe (C2)
*Przyłącze sieciowe:
*Pobór mocy: 550
*Prędkość obrotowa min.: 950 Obroty / min
*Prędkość obrotowa maks.: 4600 Obroty / min
*Stopień ochrony silnika:
*Dławik przewodu:
Materiały
*Korpus pompy: EN-GJL-250
*Wirnik:
*Wał: Stal nierdzewna
*Materiał łożysk: Grafit
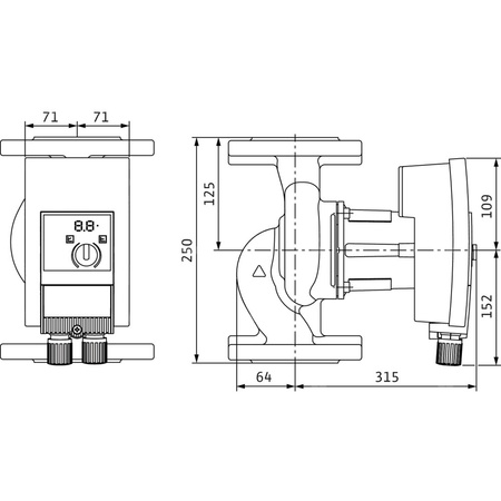
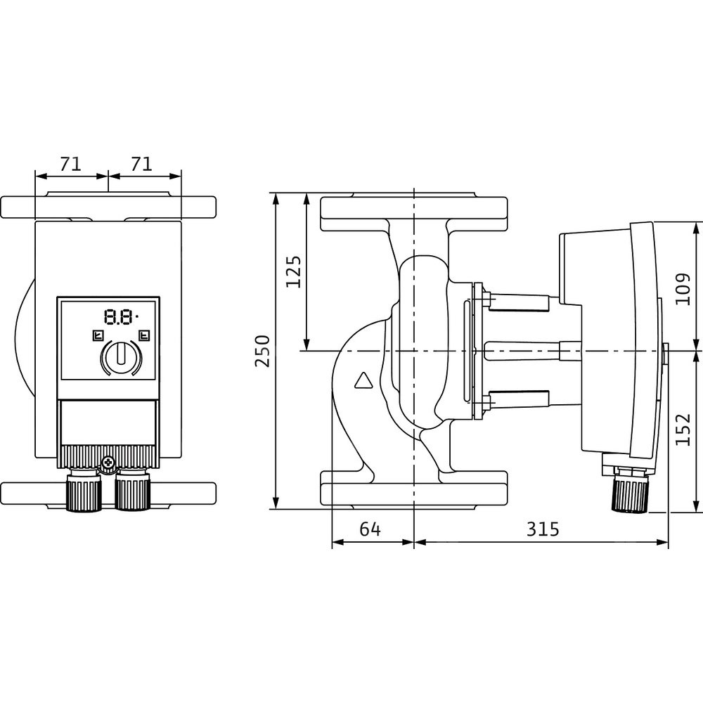
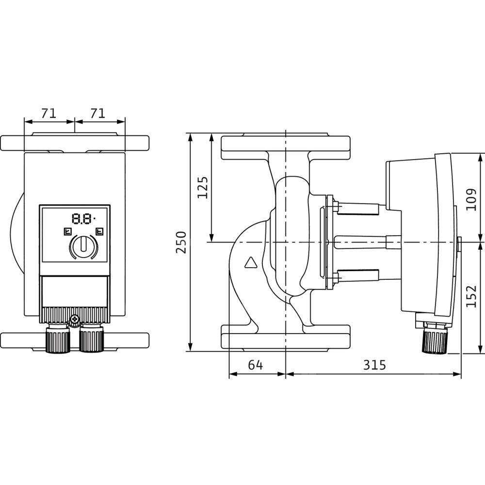
Wymiary montażowe
*Przyłącze gwintowane po stronie ssawnej: DN 40
*Przyłącze gwintowane po stronie tłocznej: DN 40
*Długość montażowa: 250 mm
Informacje na temat umiejscowienia zamówień
*Produkt:
*Nazwa produktu: Yonos MAXO 40/0,5-12 PN 6/10
*Masa netto ok.: 13 kg
*Numer artykułu: 2120647
Marka
Symbol
812120647
Rodzaj towaru
Pompy i grupy pompowe do c.o. i c.w.u.
EAN
4048482235943
Kod producenta
2120647
Prąd znamionowy [A]
2.4
Pobór mocy silnika (P1) [W]
0.55
Pobór mocy przez pompę (solpump) [W]
550
Pobór mocy przez pompę w trybie czuwania (solstandbypump) [W]
15
Materiał wirnika
Polipropylen
Częstotliwość
50/60 Hz
Stopień ochrony (IP)
IPX4D
Klasa izolacji wg IEC
F
Regulacja obrotów silnika
Wbudowany
Liczba faz
1
Zakres napięcia znamionowego [V]
230
Maks. ciśnienie robocze [bar]
10
Średnica zewnętrzna przyłącza od strony wylotowej [mm]
40
Maks. wydajność (maks. przepływ) [m³/h]
20
Maks. wysokość podnoszenia [m]
12
Przepływ nominalny (BEP) [m³/h]
12.85
Materiał korpusu pompy
Żeliwo
Gatunek materiału korpusu pompy
Żeliwo GG 25
Gatunek materiału wirnika
PP-GF
Przyłącze od strony wlotowej
Kołnierz
Średnica nominalna przyłącza od strony wlotowej
DN 40
Klasa ciśnienia kołnierza przyłącza wlotowego
PN 6
Rodzaj przyłącza wlotowego
EN 1092-2
Przyłącze po stronie wylotowej
Kołnierz
Średnica nominalna przyłącza od strony wylotowej
DN 40
Klasa ciśnienia kołnierza przyłącza wylotowego
PN 6
Rodzaj przyłącza wylotowego
EN 1092-2
Kształt końcówki
Okrągły
Długość towaru w centymetrach
34
Wysokość towaru w centymetrach
24
Szerokość towaru w centymetrach
38
Strona www producenta
www.wilo.pl
Zapytaj o produkt
Napisz swoją opinię












